KUKA庫卡機器人KR6 R900五六軸手腕 承接維修服務
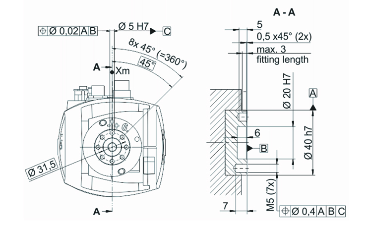
KUKA庫卡機器人KR6 R900五六軸手腕尺寸:15:*12*12cm
KUKA庫卡機器人KR6 R900五六軸手腕重量:3kg
KR6 R900庫卡機器人大負載能力達 6kg,作用半徑長達約 901.5mm。KR6 R900系列款式如下:
KR 6 R900-2
執(zhí)行環(huán)境:標準
安裝位置:天花板, 地板, 墻壁, 夾角
防護等級:IP65, IP67
KR 6 R900 CR
執(zhí)行環(huán)境:潔凈室
安裝位置:天花板, 地板, 墻壁, 夾角
防護等級:IP54
KR 6 R900 EX
執(zhí)行環(huán)境:防爆區(qū)
安裝位置:地板
防護等級:IP67
KR 6 R900 HM-SC
執(zhí)行環(huán)境:潔凈機器特殊連接
安裝位置:天花板, 地板, 墻壁, 夾角
防護等級:IP65, IP67
KR 6 R900 WP
執(zhí)行環(huán)境:防水
安裝位置:天花板, 地板, 墻壁, 夾角
防護等級:IP67